Web Analytics Made Easy - Statcounter
1971 mgb wiring diagram simplifying 1970 mgb mgb wiring diagram collection

1971 mgb wiring diagram simplifying 1970 mgb mgb wiring diagram collection

1976 mgb wiring diagram

If you are looking for 1979 Mgb Wiring Diagram Collection you've came to the right place. We have 25 Pictures about 1979 Mgb Wiring Diagram Collection like Mgb Wiring Diagram - Wiring Diagram, [DIAGRAM] 1974 Mgb Wiring Diagrams FULL Version HD Quality Wiring and also [DIAGRAM] 78 Mgb Wiring Diagram Circuit - MYDIAGRAM.ONLINE. Here you go:

1979 Mgb Wiring Diagram Collection

1979 Mgb Wiring Diagram Collection www.got2bwireless.com

1979 Mgb Wiring Diagram Collection

Mgb Gt Wiring Diagram - Wiring Diagram

mgb gt wiring diagram - Wiring Diagram wiringdiagram.2bitboer.com

mgb gt wiring diagram - Wiring Diagram

Mgb Electrical Schematic

Mgb electrical schematic circuitblaze.com

Mgb electrical schematic

1979 MG MGB Wiring Diagram | Auto Wiring Diagrams

1979 MG MGB Wiring Diagram | Auto Wiring Diagrams autowiringdiagrams.blogspot.com

1979 MG MGB Wiring Diagram | Auto Wiring Diagrams

[DIAGRAM] 1966 Mgb Wiring Diagram Schematic - MYDIAGRAM.ONLINE

[DIAGRAM] 1966 Mgb Wiring Diagram Schematic - MYDIAGRAM.ONLINE mydiagram.online

[DIAGRAM] 1966 Mgb Wiring Diagram Schematic - MYDIAGRAM.ONLINE

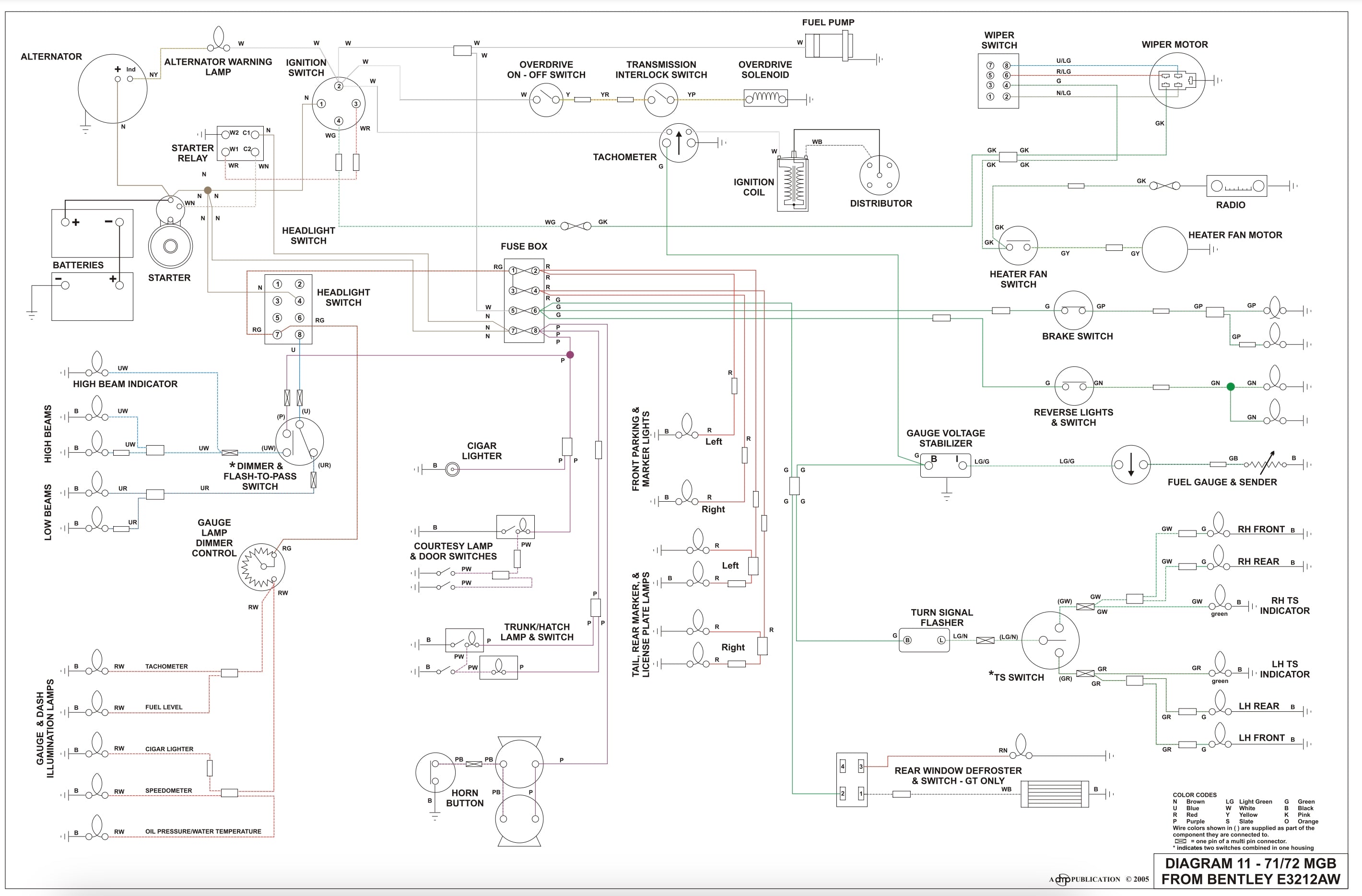
MGB Wiring Diagram (1971-1972) – Classic Car Performance

MGB Wiring Diagram (1971-1972) – Classic Car Performance www.classiccarperformance.com

MGB Wiring Diagram (1971-1972) – Classic Car Performance

1971 Mgb Wiring Diagram / Wiring Schematics And Diagrams Triumph

1971 Mgb Wiring Diagram / Wiring Schematics And Diagrams Triumph savannahpng05.blogspot.com

1971 Mgb Wiring Diagram / Wiring Schematics And Diagrams Triumph ...

Mgb Coil Wiring Diagram Wiring Diagram - Vrogue.co

Mgb Coil Wiring Diagram Wiring Diagram - vrogue.co www.vrogue.co

Mgb Coil Wiring Diagram Wiring Diagram - vrogue.co

1970 Mgb Mgb Wiring Diagram Collection

1970 Mgb Mgb Wiring Diagram Collection www.got2bwireless.com

1970 Mgb Mgb Wiring Diagram Collection

74 Mgb Wiring Diagram

74 Mgb Wiring Diagram diagramweb.net

74 Mgb Wiring Diagram

[DIAGRAM] 1974 Mgb Wiring Diagrams - MYDIAGRAM.ONLINE

[DIAGRAM] 1974 Mgb Wiring Diagrams - MYDIAGRAM.ONLINE mydiagram.online

[DIAGRAM] 1974 Mgb Wiring Diagrams - MYDIAGRAM.ONLINE

1976 Mgb Wiring Diagram - Wiring Diagram Pictures

1976 Mgb Wiring Diagram - Wiring Diagram Pictures schematron.org

1976 Mgb Wiring Diagram - Wiring Diagram Pictures

1976 Mgb Wiring Diagram - Wiring Diagram Pictures

1976 Mgb Wiring Diagram - Wiring Diagram Pictures schematron.org

1976 Mgb Wiring Diagram - Wiring Diagram Pictures

[DIAGRAM] 78 Mgb Wiring Diagram Circuit - MYDIAGRAM.ONLINE

[DIAGRAM] 78 Mgb Wiring Diagram Circuit - MYDIAGRAM.ONLINE mydiagram.online

[DIAGRAM] 78 Mgb Wiring Diagram Circuit - MYDIAGRAM.ONLINE

1971 MGB Wiring Diagram : MGB & GT Forum : The MG Experience

1971 MGB Wiring diagram : MGB & GT Forum : The MG Experience www.mgexp.com

1971 MGB Wiring diagram : MGB & GT Forum : The MG Experience

[DIAGRAM] 1978 Mg Mgb Wiring Diagram - MYDIAGRAM.ONLINE

[DIAGRAM] 1978 Mg Mgb Wiring Diagram - MYDIAGRAM.ONLINE mydiagram.online

[DIAGRAM] 1978 Mg Mgb Wiring Diagram - MYDIAGRAM.ONLINE

[DIAGRAM] 1974 Mgb Wiring Diagrams FULL Version HD Quality Wiring

[DIAGRAM] 1974 Mgb Wiring Diagrams FULL Version HD Quality Wiring mydiagram.online

[DIAGRAM] 1974 Mgb Wiring Diagrams FULL Version HD Quality Wiring ...

Mgb Wiring Diagram - Wiring Diagram

Mgb Wiring Diagram - Wiring Diagram annawiringdiagram.com

Mgb Wiring Diagram - Wiring Diagram

[DIAGRAM] 1978 Mgb Wiring Diagram For Ignition - MYDIAGRAM.ONLINE

[DIAGRAM] 1978 Mgb Wiring Diagram For Ignition - MYDIAGRAM.ONLINE mydiagram.online

[DIAGRAM] 1978 Mgb Wiring Diagram For Ignition - MYDIAGRAM.ONLINE

1976 Mgb Wiring Diagram - Wiring Diagram

1976 Mgb Wiring Diagram - Wiring Diagram wiringdiagram.2bitboer.com

1976 Mgb Wiring Diagram - Wiring Diagram

1979 Mgb Mgb Wiring Diagram Database

1979 Mgb Mgb Wiring Diagram Database www.got2bwireless.com

1979 Mgb Mgb Wiring Diagram Database

1976 Mgb Gt Wiring Diagram - Wiring Diagram

1976 Mgb Gt Wiring Diagram - Wiring Diagram wiringdiagram.2bitboer.com

1976 Mgb Gt Wiring Diagram - Wiring Diagram

1976 Mgb Gt Wiring Diagram - Wiring Diagram

1976 Mgb Gt Wiring Diagram - Wiring Diagram wiringdiagram.2bitboer.com

1976 Mgb Gt Wiring Diagram - Wiring Diagram

[DIAGRAM] 1976 Mgb Wiring Diagram Od - MYDIAGRAM.ONLINE

[DIAGRAM] 1976 Mgb Wiring Diagram Od - MYDIAGRAM.ONLINE mydiagram.online

[DIAGRAM] 1976 Mgb Wiring Diagram Od - MYDIAGRAM.ONLINE

1971 Mgb Wiring Diagram | Image Causey

1971 Mgb Wiring Diagram | Image Causey imagecausey.blogspot.com

1971 Mgb Wiring Diagram | Image Causey

1976 mgb wiring diagram. [diagram] 1974 mgb wiring diagrams full version hd quality wiring .... 1970 mgb mgb wiring diagram collection