Web Analytics Made Easy - Statcounter
came barrier wiring diagram Wiring diagram for came automatic gates

came barrier wiring diagram Wiring diagram for came automatic gates

Came barrier connection diagram came g6000 barrier – gates

If you are looking for Came Gate Barrier G6000 Supplier and Installer in Saudi Arabia you've visit to the right page. We have 25 Pics about Came Gate Barrier G6000 Supplier and Installer in Saudi Arabia like BarrierGate WiringLayout | PDF | Electronics | Computer Engineering, Came - Boom Barrier Manual | PDF | Electric Motor | Power Supply and also Wiring Diagram For Came Automatic Gates - Wiring Diagram. Here you go:

Came Gate Barrier G6000 Supplier And Installer In Saudi Arabia

Came Gate Barrier G6000 Supplier and Installer in Saudi Arabia www.autogateme.com

Came Gate Barrier G6000 Supplier and Installer in Saudi Arabia

Came Frog Wiring Diagram - Weavemed

Came Frog Wiring Diagram - Weavemed weavemed.blogspot.com

Came Frog Wiring Diagram - Weavemed

Wiring Diagram For Came Automatic Gates - Wiring Diagram

Wiring Diagram For Came Automatic Gates - Wiring Diagram wiringdiagram.2bitboer.com

Wiring Diagram For Came Automatic Gates - Wiring Diagram

11 Came Gate Barrier Royalty-Free Photos And Stock Images | Shutterstock

11 Came Gate Barrier Royalty-Free Photos and Stock Images | Shutterstock www.shutterstock.com

11 Came Gate Barrier Royalty-Free Photos and Stock Images | Shutterstock

Came Barrier Wiring Diagram - Organicness

Came Barrier Wiring Diagram - Organicness organicness73.blogspot.com

Came Barrier Wiring Diagram - Organicness

Came Barrier Wiring Diagram - Organicness

Came Barrier Wiring Diagram - Organicness organicness73.blogspot.com

Came Barrier Wiring Diagram - Organicness

BarrierGate WiringLayout | PDF | Electronics | Computer Engineering

BarrierGate WiringLayout | PDF | Electronics | Computer Engineering www.scribd.com

BarrierGate WiringLayout | PDF | Electronics | Computer Engineering

Came - Boom Barrier Manual | PDF | Electric Motor | Power Supply

Came - Boom Barrier Manual | PDF | Electric Motor | Power Supply www.scribd.com

Came - Boom Barrier Manual | PDF | Electric Motor | Power Supply

Came Barrier Wiring Diagram - Organicness

Came Barrier Wiring Diagram - Organicness organicness73.blogspot.com

Came Barrier Wiring Diagram - Organicness

Wiring Diagram For Came Automatic Gates - Wiring Diagram

Wiring Diagram For Came Automatic Gates - Wiring Diagram wiringdiagram.2bitboer.com

Wiring Diagram For Came Automatic Gates - Wiring Diagram

CAME G6000 Barrier – Gates And Accessories

CAME G6000 Barrier – Gates and Accessories gatesandaccessories.co.uk

CAME G6000 Barrier – Gates and Accessories

Schematic Barrier Gate Wiring Diagram

Schematic Barrier Gate Wiring Diagram worksheetmagicmiriam101.s3-website-us-east-1.amazonaws.com

Schematic Barrier Gate Wiring Diagram

Came Barrier Wiring Diagram - Organicness

Came Barrier Wiring Diagram - Organicness organicness73.blogspot.com

Came Barrier Wiring Diagram - Organicness

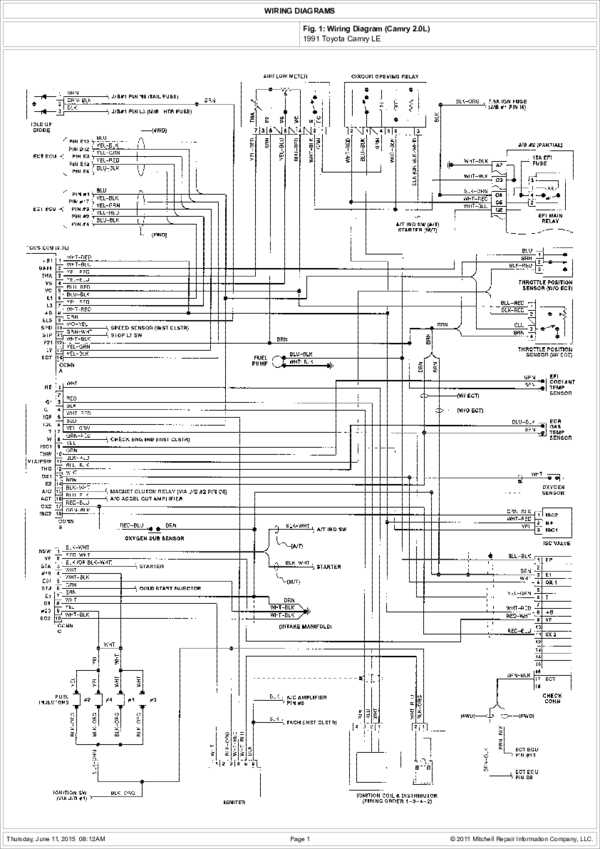
(PDF) WIRING DIAGRAMS Fig 1 Wiring Diagram Cam

(PDF) WIRING DIAGRAMS Fig 1 Wiring Diagram Cam www.academia.edu

(PDF) WIRING DIAGRAMS Fig 1 Wiring Diagram Cam

Silver Aluminium Came Road Barrier, For Parking At ₹ 45000/piece In New

Silver Aluminium Came road barrier, For Parking at ₹ 45000/piece in New www.indiamart.com

Silver Aluminium Came road barrier, For Parking at ₹ 45000/piece in New ...

Came Frog Wiring Diagram - Weavemed

Came Frog Wiring Diagram - Weavemed weavemed.blogspot.com

Came Frog Wiring Diagram - Weavemed

Came Barrier Connection Diagram Came G6000 Barrier – Gates

Came Barrier Connection Diagram Came G6000 Barrier – Gates manualtessoreyav.z21.web.core.windows.net

Came Barrier Connection Diagram Came G6000 Barrier – Gates

Came Boom Barrier Manual

Came Boom Barrier Manual dengrachysmirus.weebly.com

Came Boom Barrier Manual

Came Barrier Spare Parts In Saudi Arabia - Bahrain, UAE

Came Barrier Spare Parts in Saudi Arabia - Bahrain, UAE www.autogateme.com

Came Barrier Spare Parts in Saudi Arabia - Bahrain, UAE

The City Of Crochet: [28+] Came Electric Gates Wiring Diagram, 16+ Came

The City of Crochet: [28+] Came Electric Gates Wiring Diagram, 16+ Came cityofcrochet.blogspot.com

The City of Crochet: [28+] Came Electric Gates Wiring Diagram, 16+ Came ...

Wiring Diagram For Came Automatic Gates - Wiring Diagram

Wiring Diagram For Came Automatic Gates - Wiring Diagram wiringdiagram.2bitboer.com

Wiring Diagram For Came Automatic Gates - Wiring Diagram

CAME Barrier Arm System | LTM Automation Enterprise

CAME Barrier Arm System | LTM Automation Enterprise www.automaticgatesingapore.com

CAME Barrier Arm System | LTM Automation Enterprise

Came Barrier - Yong Fong Autogate

Came Barrier - Yong Fong Autogate yongfongautogate.com

Came Barrier - Yong Fong Autogate

Came Barrier Wiring Diagram - Organicness

Came Barrier Wiring Diagram - Organicness organicness73.blogspot.com

Came Barrier Wiring Diagram - Organicness

CAME Barrier Accessories – Gates And Accessories

CAME Barrier Accessories – Gates and Accessories gatesandaccessories.co.uk

CAME Barrier Accessories – Gates and Accessories

came barrier wiring diagram. came barrier wiring diagram. wiring diagram for came automatic gates