Web Analytics Made Easy - Statcounter
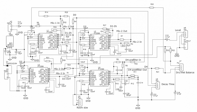
pt2399 echo circuit pcb diy reverb diy-reverb-echo-pt2399-project

pt2399 echo circuit pcb diy reverb diy-reverb-echo-pt2399-project

Diy reverb pedal circuit: spring-hall reverb with pt2399 ic – deeptronic

If you are looking for Reverb Effect Circuit PT2399 you've visit to the right web. We have 25 Pics about Reverb Effect Circuit PT2399 like Konsep Pcb Echo Reverb, Skema Pcb, PT2399 Echo Application Circuit - DIY Audio Circuits and also Echo Reverb Schematic Diagram - Wiring Digital and Schematic. Here it is:

Reverb Effect Circuit PT2399

Reverb Effect Circuit PT2399 in.pinterest.com

Reverb Effect Circuit PT2399

Pt2399-circuit-video - DIY Audio Circuits

pt2399-circuit-video - DIY Audio Circuits diyaudiocircuits.com

pt2399-circuit-video - DIY Audio Circuits

PT2399 ECHO CIRCUIT : 4 Steps - Instructables

PT2399 ECHO CIRCUIT : 4 Steps - Instructables www.instructables.com

PT2399 ECHO CIRCUIT : 4 Steps - Instructables

PT2399 Echo Application Circuit - DIY Audio Circuits

PT2399 Echo Application Circuit - DIY Audio Circuits diyaudiocircuits.com

PT2399 Echo Application Circuit - DIY Audio Circuits

Pt2399 Echo Reverb Effects Schematic Circuit Echo Pt2399 Dig

Pt2399 Echo Reverb Effects Schematic Circuit Echo Pt2399 Dig manualblewynnessse.z21.web.core.windows.net

Pt2399 Echo Reverb Effects Schematic Circuit Echo Pt2399 Dig

Diy-reverb-echo-pt2399-project - DIY Audio Circuits

diy-reverb-echo-pt2399-project - DIY Audio Circuits diyaudiocircuits.com

diy-reverb-echo-pt2399-project - DIY Audio Circuits

PT2399 Digital Echo Delay Integrated Circuit Breadboard Experiment

PT2399 Digital Echo Delay Integrated Circuit Breadboard Experiment diyaudiocircuits.com

PT2399 Digital Echo Delay Integrated Circuit Breadboard Experiment ...

PT2399 ECHO CIRCUIT : 4 Steps - Instructables

PT2399 ECHO CIRCUIT : 4 Steps - Instructables www.instructables.com

PT2399 ECHO CIRCUIT : 4 Steps - Instructables

PT2399 ECHO CIRCUIT : 4 Steps - Instructables

PT2399 ECHO CIRCUIT : 4 Steps - Instructables www.instructables.com

PT2399 ECHO CIRCUIT : 4 Steps - Instructables

Electronic: PT2399 Echo, Reverb Effects

Electronic: PT2399 Echo, Reverb Effects ugursazan.blogspot.com

Electronic: PT2399 Echo, Reverb Effects

Electronic: PT2399 Echo, Reverb Effects

Electronic: PT2399 Echo, Reverb Effects ugursazan.blogspot.com

Electronic: PT2399 Echo, Reverb Effects

PT2399 Digital Echo Delay Integrated Circuit Breadboard Experiment

PT2399 Digital Echo Delay Integrated Circuit Breadboard Experiment diyaudiocircuits.com

PT2399 Digital Echo Delay Integrated Circuit Breadboard Experiment ...

DIY Reverb Pedal Circuit: Spring-Hall Reverb With PT2399 IC – Deeptronic

DIY Reverb Pedal Circuit: Spring-Hall Reverb with PT2399 IC – Deeptronic www.deeptronic.com

DIY Reverb Pedal Circuit: Spring-Hall Reverb with PT2399 IC – Deeptronic

Konsep Pcb Echo Reverb, Skema Pcb

Konsep Pcb Echo Reverb, Skema Pcb skemaboxs.blogspot.com

Konsep Pcb Echo Reverb, Skema Pcb

DIY Reverb Pedal Circuit: Spring-Hall Reverb With PT2399 IC – Deeptronic

DIY Reverb Pedal Circuit: Spring-Hall Reverb with PT2399 IC – Deeptronic www.deeptronic.com

DIY Reverb Pedal Circuit: Spring-Hall Reverb with PT2399 IC – Deeptronic

PT2399 ECHO CIRCUIT : 4 Steps - Instructables

PT2399 ECHO CIRCUIT : 4 Steps - Instructables www.instructables.com

PT2399 ECHO CIRCUIT : 4 Steps - Instructables

PT2399 Digital Reverb Processing Integrated Circuit - Other_circuit

PT2399 Digital Reverb Processing Integrated Circuit - Other_circuit www.seekic.com

PT2399 Digital Reverb Processing Integrated Circuit - Other_circuit ...

Pt2399 Reverb Circuit And Layout | Schematic Power Amplifier And Layout

pt2399 reverb circuit and layout | Schematic Power Amplifier and Layout www.pinterest.jp

pt2399 reverb circuit and layout | Schematic Power Amplifier and Layout ...

Echo Reverb Schematic Diagram - Wiring Digital And Schematic

Echo Reverb Schematic Diagram - Wiring Digital and Schematic www.wiringdigital.com

Echo Reverb Schematic Diagram - Wiring Digital and Schematic

DIY Amplifier Electronics Circuit Project: PT2399 Echo PCB With PT2399

DIY Amplifier Electronics Circuit Project: PT2399 Echo PCB with PT2399 www.daraz.lk

DIY Amplifier Electronics Circuit Project: PT2399 Echo PCB with PT2399 ...

Echo Reverb Schematic Diagram - Wiring Diagram

Echo Reverb Schematic Diagram - Wiring Diagram www.organised-sound.com

Echo Reverb Schematic Diagram - Wiring Diagram

PT2399 Digital Delay Echo Sound Processor DIY PCB Student Practice

PT2399 Digital Delay Echo Sound Processor DIY PCB Student Practice www.daraz.lk

PT2399 Digital Delay Echo Sound Processor DIY PCB Student Practice ...

Pt2399 Reverb : R/diypedals

pt2399 Reverb : r/diypedals www.reddit.com

pt2399 Reverb : r/diypedals

PT2399 Echo Circuit : R/diypedals

PT2399 Echo Circuit : r/diypedals www.reddit.com

PT2399 Echo Circuit : r/diypedals

Pt2399 Reverb Circuit Diagram

Pt2399 Reverb Circuit Diagram pravnicupz6schematic.z14.web.core.windows.net

Pt2399 Reverb Circuit Diagram

pt2399 echo circuit : r/diypedals. Pt2399 echo circuit : 4 steps. Pt2399-circuit-video